Set PTO Scania – instalare laterală pentru eficiență hidraulică maximă
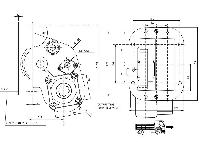
Setul PTO Scania cu instalare laterală oferă o soluție extrem de eficientă pentru activarea sistemelor hidraulice pe camioanele Scania. Este destinat modelelor la care este posibil accesul lateral la cutia de viteze, permițând o instalare mai ușoară și o accesibilitate îmbunătățită pentru service. Unitatea de ambreiaj este compatibilă cu toate tipurile de camioane Scania cu instalare laterală (GRS905, GRSO905).
Conținutul setului PTO Scania (instalare laterală)
-
Ambreiaj PTO Interpump Hydraulics Scania (GRS905, GRSO905), instalare laterală
-
Cub PTO Interpump Hydraulics
-
Kit de montaj Interpump Hydraulics
-
Comutator Interpump Hydraulics
Avantajele principale ale instalării laterale
-
Acces facil pentru service și înlocuire
-
Compatibil cu majoritatea seriilor Scania: R, G, P
-
Ideal pentru sisteme de basculare, trolii, macarale și betoniere
-
Păstrează spațiul de sub șasiu pentru componente suplimentare
Specificații tehnice
-
Material: oțel de înaltă rezistență
-
Presiune de lucru: până la 200 bar
-
Rotație: standard, conformă cu arborele PTO Scania
-
Rezistență la temperatură: -40°C până la +90°C
Unde este utilizat setul PTO Scania cu montaj lateral?
Ideal pentru utilizare profesională în:
-
Vehicule de construcții cu suprastructuri basculabile
-
Camioane municipale echipate cu trolii
-
Vehicule speciale pentru transportul materialelor vrac și lichide
De ce să alegeți Premium Flow Solutions?
Echipa noastră de specialiști oferă suport tehnic înainte, în timpul și după achiziție. Cu setul PTO Scania cu instalare laterală, beneficiați de o soluție testată, dovedită și durabilă, care poate fi instalată fără modificări suplimentare ale vehiculului. Livrarea rapidă și disponibilitatea pieselor de schimb simplifică și mai mult întreținerea.
Aveți încredere în echipamente verificate – optimizați-vă vehiculul pentru performanță maximă atât în exploatare, cât și în service.






